攝像頭d1類浪涌保護器有哪些類型?網絡二合一防雷器滿足嗎? 監控系統最常用的浪涌保護器就是電源網絡二合一浪涌保護器、三合一防雷器等。 其多合一的結構設計,體積更小,價格相對分開的電源防雷器和網絡防雷器而言也更具競爭力。 近日有客戶咨
為什么浪涌保護器兩端連接導線應短而直,長度之和宜小于0.5米? 要想浪涌保護器起到比較好的防雷效果,除了在浪涌保護器選型時把參數規格選對,在安裝的時候也需要滿足安裝要求。 比如,IEC標準就要求浪涌保護器兩端連接導線應短而直,長度之和宜小
ii類試驗d級的電源ac220v浪涌保護器是什么產品? 通常情況下,我們選擇浪涌保護器時,會按保護能力將防雷器SPD電涌保護器分為BCD三類。 近日有客戶在項目上碰到一個需求,要求在終端機房配電柜安裝ii類試驗d級的電源ac220v浪涌保護器。 如
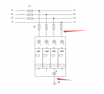
圖紙要求D1類浪涌保護器短路電流1.5kA可以用2kA的替代嗎? 防雷標準要求從室外引入室內的消防信號、模擬量、rs485等信號線路,需要安裝D1類高能量電涌保護器,測試波形為10/350us。 近日,有客戶找我司咨詢D1類浪涌保護器用于24V消防信號總線。 我們
380v總進線柜選用多大浪涌保護器?選一級浪涌還是二級浪涌? 浪涌保護器安裝在各級配件柜,起到防雷保護的作用,不同等級的配電柜安裝的SPD浪涌保護器防雷等級也不一樣。 總進線柜也叫總配電柜,作為電力系統 從變壓器引入 的第一級配電柜,應該裝
SPD后備保護器怎么接線,接好后要合上嗎? SPD浪涌專用后備保護器作為浪涌保護器前端專用的后備保護裝置,越來越多的被應用到電力、通信、工控等各個領域的防雷設計中。 相對于傳統的空開斷路器、熔斷器等后備開關,很多工程人
一級浪涌保護器型號規格有哪些?應該如何選擇? 標準要求建筑物總配電柜需安裝一級浪涌保護器,防雷辦驗收對這里的檢查也是最為細致。 如果型號規格選的不正確,可就麻煩了。 那么,一級浪涌保護器型號規格有哪些?應該如何選擇呢?
以太網口一級和二級涌浪保護是什么意思?網絡信號防雷器D1和C2類介紹! 近日,有系統集成商客戶咨詢我們有沒有以太網口的一級浪涌保護器和二級浪涌保護器。 大家應該都知道電源防雷有一級二級三級的說法,信號防雷也有嗎? 今天,中為防雷給大家介紹一下以
浪涌專用后備保護器SCB的工作原理是怎么樣的? 浪涌專用后備保護器SCB是專門用于浪涌保護器前端的后備保護裝置,其好處是可以耐受和浪涌保護器一樣的雷電浪涌沖擊而不斷(常規的開關和熔斷器耐受較低,斷開后浪涌保護器就起不到作用
電源防雷器帶fm遠程告警功能指的是什么? 早期的時候,電源防雷浪涌保護器安裝在配電箱中,每年雷雨季節前后,人們都需要親自去開箱檢查電源防雷器狀態。 避免電源防雷器已經損壞而不知道。 因為電源防雷器內部是壓敏電阻或者
不從室外進線的總箱需要t1級浪涌保護器嗎? T1級浪涌保護器指的是一級浪涌保護器,我們知道,根據防雷標準的防雷分區要求,從LPZ0區進入LPZ1區需要安裝T1類浪涌保護器。 LPZ0區指的是室外,LPZ1區是室內,簡單來說就從室外引入室內的電
防雷器如何根據放電電流確認防雷等級? 防雷器的防雷等級是評判防雷器防雷能力高低的一個通俗指標,電源防雷器一般分為一級、二級、三級或者B級、C級、D級,信號防雷器也會有D1、C2、B2等防雷等級。 那么,如何根據放電電流來
spd浪涌專用后備保護器的作用是什么? 中為防雷推出的SPD浪涌專用后備保護器也叫SCB,是安裝在浪涌保護器前端的前置保護裝置。 按防雷標準要求,安裝一二級浪涌保護器時,需要在前端安裝一套過電流保護裝置。 這個裝置可以是
電源防雷器窗口指示變紅需要更換嗎? 電源防雷器使用范圍是非常廣泛的嗎,電源配電柜、戶外防水監控箱、控制柜等都會安裝電源防雷器。 該產品正常使用壽命在3~5年。近日,有客戶在例行檢查中發現電源防雷器上面的窗口片有
浪涌保護器up=2.5kv in≥40ka 波形8/20μs是什么產品? 近日,有電力行業客戶咨詢一款產品,參數是:浪涌保護器up=2.5kv in≥40ka 波形8/20μs。 客戶問這個參數選哪個型號的浪涌保護器。 根據浪涌保護器選型經驗,我們可以從客戶提供的參數來進行
一級浪涌保護器25ka配多大的線?線徑選擇應滿足標準要求以及實際需求! 標準要求在總進線柜必須安裝一級浪涌保護器,而一級浪涌保護器中25kA規格的是用的最多的。 近日有電氣成套公司咨詢中為防雷,以前我們的25kA一級浪涌保護器接線都是采用的16平方或25平方
防雷模塊前端空氣開關的匹配方法是什么? 工程項目中,電源系統的防雷模塊在安裝時,前端都會串聯一個后備保護器,一般用普通的熔斷器或者空氣開關。 目的是為了當防雷模塊出現故障時,將防雷模塊從電網斷開。 很多工程師不知
浪涌保護器最大持續工作電壓uc為什么是相電壓的1.15倍? 浪涌保護器有個重要參數叫最大持續工作電壓,英文代號Uc,這個參數對浪涌保護器來說是關鍵參數。 因為要和系統電壓進行匹配,配高了殘壓高,配低了浪涌保護器容易損壞。 所以防雷標準
具有網絡和電源二合一防雷功能,傳輸性能:100Mbps是什么防雷器? 最近碰到一個監控工程商,說一個小區監控項目,要求加裝防雷器,只有一個參數寫的是:具有網絡和電源二合一防雷功能,傳輸性能:100Mbps。 他不知道這是什么防雷器,所以來咨詢防雷器廠家
工作電壓24v標稱放電電流5ka響應時間:1ns插入損耗≤0.5db是什么防雷器? 近日,有客戶發來一個清單,上面的產品名稱是防雷器,參數是:工作電壓24v標稱放電電流5ka響應時間:1ns插入損耗≤0.5db。 客戶有點不確定,所以來咨詢了,那么這個是一個什么產品呢? 根據
廣東中為智能防雷技術有限公司
